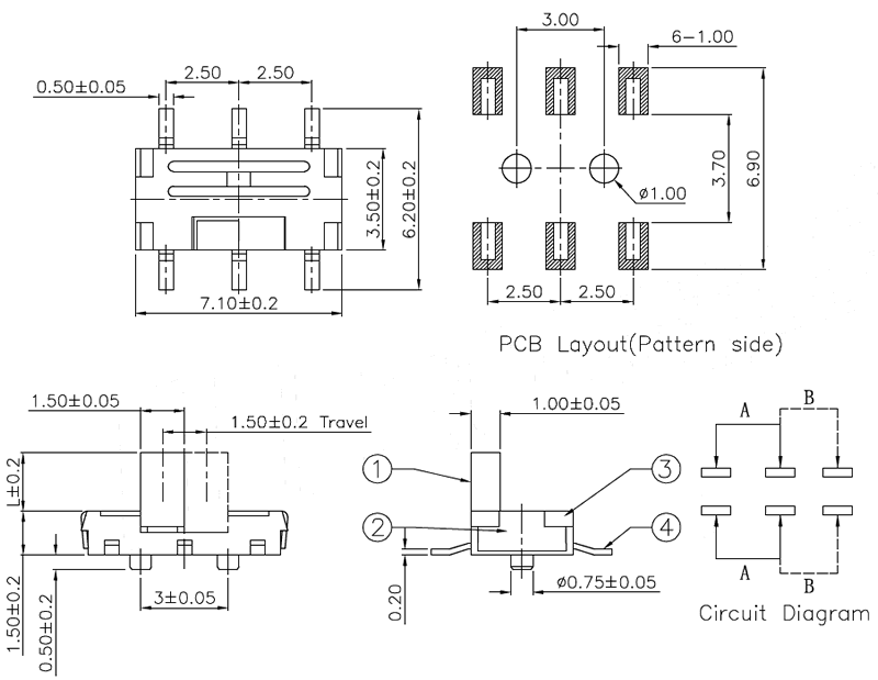
最近老是接到客人問六腳撥動開關是怎么焊接,電路圖是什么原理以下為大家簡單介紹下六腳兩檔/三檔撥動開關原理圖:


撥動開關是通過撥動開關柄使電路接通或斷開,從而達到切換電路的目的的。撥動開關常用的品種有單極雙位、單極三位、雙極雙位以及雙極三位等,它一般用于低壓電路,具有滑塊動作靈活、性能穩定可靠的特點,撥動開關主要廣泛用于:各種儀器/儀表設備,各種電動玩具,傳真機,音響設備,醫療設備,美容設備,等其它電子產品領域。
六腳三檔撥動開關原理圖:

六腳兩檔撥動開關原理圖

通過以上兩個原理圖想必大家肯定對這些參數有所了解,如需更多撥動開關產品參數請關注我們www.turibune-uoe.com